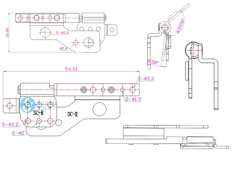
型号: SC-607-5
规格: 笔记本转轴
材质: SK7+1215
外观: 黑色/银色
扭力: 4.5±0.3kgf-cm
寿命: 20000次,衰减率不大于20%
产品特点: 单轴结构,节约空间
应用范围: 笔记本电脑 电脑键盘 翻盖
是否提供定制: 是

采用进口材料,结合独创的多摩擦面,经过严谨的测试,使笔记本开合寿命高达2.5万次。

转轴组成分为五金件和车制件五金件通过精密模具管控尺寸车制件通过CNC加工中心管控尺寸,可使转轴外径做到3mm,产品精度可达正负1个丝。

我司产品均可通过24H盐雾测试,部分产品高达720H,所有产品均符合ROHS要求。

使用独特粉末冶金环保材料,经过真空热处理硬度更高更耐磨。

产品结构及表面颜色、镀层均可定制。

索诚新研发360度旋转表链式笔记本转轴,承袭台湾工艺,108个零件组成、纯钢304打造,纯手工装配轻薄精致。

盐雾测试

硬度测试

装配一角

自动化车间一角

组装擦油一角

组装检具一角

组装扭测一角

组装手压一角

组装预压一角

组装预摇一角



















欢迎您进入东莞市索诚电子有限公司官网,感谢您对东莞市索诚电子有限公司的信赖,索诚电子主要从事各种行业转轴定制的研发、制造和销售。我们努力做到让每一位客户满意,您可以快速联系我们。到访索诚,可预约我们派车接送。
全国咨询热线:0769-81929899
电话18929229839
邮箱sc_014@socen88.com
地址广东省东莞市茶山镇霞坑吉园街7号