阻尼转轴 131度旋转阻尼铰链 迷你支撑弯折转轴SC1213-1-5/6
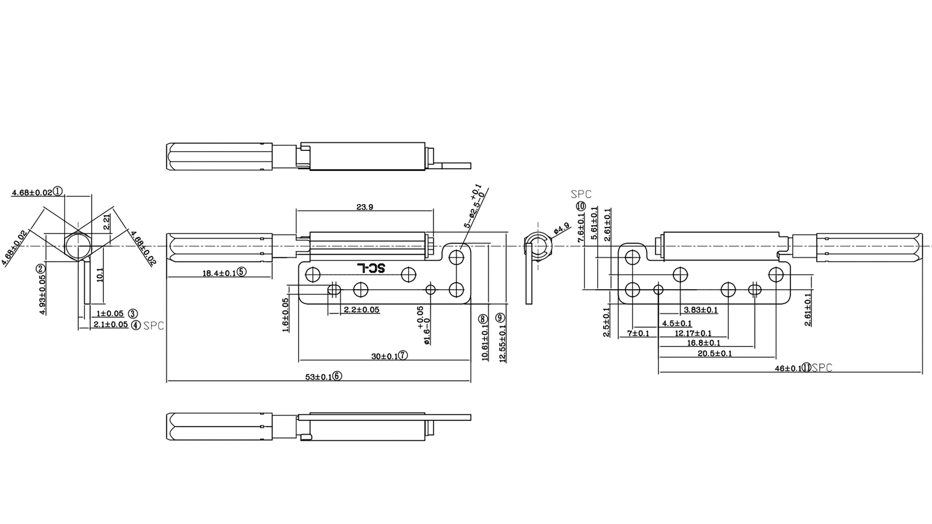
型号: SC1213-1-5/6
规格: 定制/非标准
材质: SK5+1215
外观: 本色
扭力: 5.5±0.5kfg.cm
寿命: 5000次弯折,扭力衰减小于20%
产品特点: 高寿命,进口材料
应用范围: 笔记本,手机
是否提供定制: 是
产品详情
型号:
SC1213-1-5/6
规格:
定制/非标准
材质:
SK5+1215
外观:
本色
扭力:
5.5±0.5kfg.cm
寿命:
5000次弯折,扭力衰减小于20%
产品特点:
高寿命,进口材料
应用范围:
笔记本,手机
是否提供定制:
是
视频详解
转轴技术要求
技术要求:
1.转轴打开扭力:关闭扭力:5.5±0.5kgf.cm(小值方向扭力)
2.转轴寿命测试要求>5000次弯折,扭力衰减<20%
3.出货角度:90°±2°
4.打开最大角度:126°-131°
5.预压角度:-5°±2°
6.中性盐雾测试要求8小时以上
7.所有加工工艺都需符合环保要求
8.带*号尺寸为重点管制 SPC 尺寸为CPK管控尺寸
产品优势
我们以转轴行业多年研发经验,为您定制高品质的转轴
高寿命
采用进口材料,结合独创的多摩擦面,经过严谨的测试,使笔记本开合寿命高达2.5万次。
更精密
转轴组成分为五金件和车制件五金件通过精密模具管控尺寸车制件通过CNC加工中心管控尺寸,可使转轴外径做到3mm,产品精度可达正负1个丝。
高盐雾
我司产品均可通过24H盐雾测试,部分产品高达720H,所有产品均符合ROHS要求。
高标准
使用独特粉末冶金环保材料,经过真空热处理硬度更高更耐磨。
高技术
索诚新研发360度旋转表链式笔记本转轴,承袭台湾工艺,108个零件组成、纯钢304打造,纯手工装配轻薄精致。
生产设备
索诚电子配备高精度生产设备,从原料裁切到精密铣削,设备运转稳定高效,确保每一个零部件尺寸精准。
先进设备加持,让生产更具保障,满足不同定制需求。
A:2大生产基地占地面积20000+平方米,拥有专业的20+技术团队,可提供128个行业专业的解决方案,为国内外3000+客户提供转轴定制服务。
B:拥有20条自动流水线,22台高速冲床,日产能可达10万,15天交模具样、10天起批量交货。
C:22台高速冲床、20台CNC自动车床、5台自动焊接机、2台自动镭雕机、20条流水线、15台压铸机、5台线割机、5台床、2台磨床。
生产制造
索诚电子深耕生产工艺,从原料预处理到表面处理,每一步都精益求精。融合多种先进工艺,精湛工艺赋予转轴顺滑转动体验,适应不同使用场景。

盐雾测试

硬度测试

装配一角

自动化车间一角

组装擦油一角

组装检具一角

组装扭测一角

组装手压一角

组装预压一角

组装预摇一角
品质检测
品质检测环节严苛细致,全流程介入生产。
从原料入库到成品出厂,多道检测工序层层把关。专业检测设备精准测试转轴性能,确保其耐磨、稳定、耐用。严苛检测为产品品质保驾护航,让客户用得放心。
3台硬度计、2台2.5次元,3台盐雾测试机,15台寿命测试机,1台耐磨测试机、2台高度规、1台膜厚测机,1台光谱仪。台磨床。
组装车间
自动化组装流水线有序运转,配合专业技工操作,确保转轴组件精准对接。
定制流程
标准化流程,让定制全程可控
-
了解需求
01
-
方案设计
02
-
结构确认
03
-
样板制作
04
-
样板确认
05
-
设计开模
06
-
模样确认
07
-
小批试产
08
-
批量生产
09
联系方式
-
-
东莞市索诚电子有限公司
欢迎您进入东莞市索诚电子有限公司官网,感谢您对东莞市索诚电子有限公司的信赖,索诚电子主要从事各种行业转轴定制的研发、制造和销售。我们努力做到让每一位客户满意,您可以快速联系我们。到访索诚,可预约我们派车接送。
全国咨询热线:0769-81929899